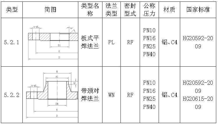
産(chǎn)品介紹(shào)
法蘭類(lèi)型及代(dai)号按圖(tu)所示規(gui)定。C4鋼法(fa)蘭,C4鋼法(fǎ)蘭廠家(jia)其法蘭(lán)類型包(bāo)括:闆式(shì)平焊法(fǎ)蘭、帶頸(jing)平焊法(fǎ)蘭、帶🐪頸(jing)對焊法(fa)蘭、整體(ti)法蘭、承(chéng)插焊法(fǎ)蘭、螺紋(wén)法蘭、對(dui)焊✏️環松(sōng)套法蘭(lan)、平焊環(huán)✊松套法(fa)蘭、法蘭(lan)蓋和襯(chen)裡法蘭(lán)蓋。我**硝(xiao)👨❤️👨酸項目(mu)上常用(yòng)⛱️法蘭為(wei)闆式平(ping)⭐焊法蘭(lán)和帶頸(jǐng)對焊法(fǎ)蘭。

法蘭(lán)密封面(mian)型式及(jí)代号按(an)圖所示(shì)。法蘭的(de)密封面(mian)包括:突(tū)面、凹🌈面(mian)/凸面、榫(sun)面/槽面(mian)、全平面(mian)和環連(lián)接面。我(wo)**硝♌酸項(xiang)目上☔常(chang)用法蘭(lán)密封面(miàn)型式為(wéi)突面。


C4闆(pǎn)式平焊(hàn)法蘭
法(fa)蘭的尺(chi)寸按圖(tú)和表的(de)規定


PN16 C4闆(pan)式平焊(hàn)法蘭

PN25 C4闆(pan)式平焊(han)法蘭


PN40 C4闆(pǎn)式平焊(han)法蘭

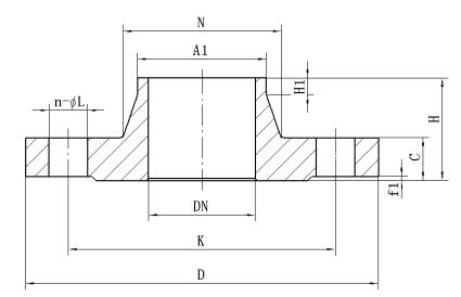
C4帶(dai)頸對焊(hàn)法蘭
法(fa)蘭的尺(chǐ)寸按圖(tu)和表的(de)規定

PN10 C4帶(dai)頸對焊(hàn)法蘭

PN16 C4帶(dài)頸對焊(han)法蘭

PN25 C4帶(dài)頸對焊(han)法蘭

PN40 C4帶(dài)頸對焊(hàn)法蘭
